局放儀極性判別抑制干擾的辦法
前面的文章我們武漢合眾電氣講到過,局部放電檢測儀(簡稱:局放儀)在做局部放電試驗的時候,會受到很多的干擾,同時針對這些問題,也有很多的辦法可以減少干擾,來獲取正確的試驗數據。下面我們來和武漢合眾電氣來了解一種比較有效的抑制干擾的辦法——極性判別抑制干擾。
原理
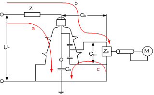
外部干擾由引線串入變壓器內部,其傳輸回路分別經過套管接地線和鐵心接地線匯入大地,如下圖a,b所示兩條回路。而變壓器內部放電的傳輸回路可以由放電點經套管地屏、大地、鐵心接地到放電點構成回路,如右圖c所示回路。所以,外部干擾在套管接地線和鐵心接地線上產生的電流極性相同,而變壓器內部放電在套管接地線和鐵心接地線上產生的電流極性相反。
接線
先按局放測量的接線方法將輸入單元的信號接入CH1,然后從鐵心接地線引出一根電纜,面對高頻電流互感器有文字的正面圓形孔中將電纜穿入,從背面穿出之后接到地線上,用同軸電纜把“高頻電流互感器”耦合過來的信號接到局放儀的CH2即可。
注:鐵心接地線一定要穿過高頻電流互感器的正面,反之會導致信號極性錯誤。(參見附錄接線圖2、4左下部高頻電流互感器的連接方法,方向要正確)
操作方法
①在注入方波校準時,利用波形分析功能觀察兩個通道同相位的方波信號的極性。
②測量時,將稍微大于CH2的背景值輸入到天線的“上閾”框內,然后根據極性選中同極性或異極性,CH1會根據極性來判別是否去除,從而讀出正確的放電量。
以上是局放儀極性判別抑制干擾的辦法,如果對局放儀的使用有更多問題,也需要買一些局放儀,可以聯系我們解決更多問題。
原理
外部干擾由引線串入變壓器內部,其傳輸回路分別經過套管接地線和鐵心接地線匯入大地,如下圖a,b所示兩條回路。而變壓器內部放電的傳輸回路可以由放電點經套管地屏、大地、鐵心接地到放電點構成回路,如右圖c所示回路。所以,外部干擾在套管接地線和鐵心接地線上產生的電流極性相同,而變壓器內部放電在套管接地線和鐵心接地線上產生的電流極性相反。
圖 5-33極性判別示意圖
接線
先按局放測量的接線方法將輸入單元的信號接入CH1,然后從鐵心接地線引出一根電纜,面對高頻電流互感器有文字的正面圓形孔中將電纜穿入,從背面穿出之后接到地線上,用同軸電纜把“高頻電流互感器”耦合過來的信號接到局放儀的CH2即可。
注:鐵心接地線一定要穿過高頻電流互感器的正面,反之會導致信號極性錯誤。(參見附錄接線圖2、4左下部高頻電流互感器的連接方法,方向要正確)
操作方法
①在注入方波校準時,利用波形分析功能觀察兩個通道同相位的方波信號的極性。
②測量時,將稍微大于CH2的背景值輸入到天線的“上閾”框內,然后根據極性選中同極性或異極性,CH1會根據極性來判別是否去除,從而讀出正確的放電量。
以上是局放儀極性判別抑制干擾的辦法,如果對局放儀的使用有更多問題,也需要買一些局放儀,可以聯系我們解決更多問題。
- 上一篇: 局放儀簡單常用的抗干擾方法
- 下一篇: 局放儀的天線門控抑制干擾





